導航:回首頁---當前位置---水泵產品內容頁補充頁 >> S、SH型單級雙吸泵外形安裝尺寸(1) |
![]() |
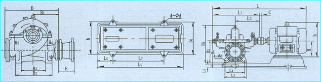
S、SH型單級雙吸泵|外形安裝尺寸(1)S、SH型單級雙吸泵外形安裝尺寸圖:
![]() S、SH型單級雙吸泵外形安裝尺寸表: ![]() 上一頁:S、SH型單級雙吸泵法蘭安裝尺寸
[來源:原創]
[作者:水泵專家]
[日期:10-09-09]
[熱度:]
最新文章SBLW全自動無負壓穩流給水設備參數四09.09 SBLW全自動無負壓穩流給水設備參數三09.09 SBLW全自動無負壓穩流給水設備參數二09.09 SBLW全自動無負壓穩流給水設備參數一09.09 SYDL不銹鋼多級離心泵參數一09.09 SYDL不銹鋼多級離心泵參數八09.09 評論 |


